MTP9 Měření tepla předaného parou, přímá metoda, clonový měřič se 2 kondenzačními nádobami a se 2 snímači tlakové diference ...
Měření tepla předaného parou, přímá metoda, clonový měřič se 2 kondenzačními nádobami a se 2 snímači tlakové diference v kaskádním zapojení + měření vráceného tepla v kondenzátu ultrazvukovým průtokoměrem
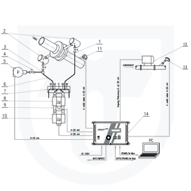
Parní větev
1 - Kalibrovaná clonová trať PN 16 až PN63, DN 50 až DN 600 (DN 1000); TCM 142/94-1840
2 – 2 kondenzační nádoby t.č. 966 vč. uzavíracích ventilů
3 – Spojka T
4 - Tlakoměrný zkušební ventil t.č. 967 nebo kulový kohout 971, 972 nebo 974
5 - Snímač přetlaku (abs. tlaku) - třída přesnosti 0,15
6 - Impulzní potrubí - ocelová nerezová trubka bezešvá průměr 8 – 12 mm
7 - Pěticestná ventilová souprava t.č. 964 (984)
8 - Snímač dif. tlaku (nižší rozsah) - třída přesnosti 0,1
9 – Propojovací člen pro kaskádní zapojení 981H
10 - Snímač dif. tlaku (vyšší rozsah) - třída přesnosti 0,1
11 - Snímač teploty Pt 100 vč. návarku, případně vč. jímky
Kondenzátní větev
12 - Ultrazvukový měřič kondenzátu ULTRAHEAT UH50- třída přesnosti (dle ČSN EN 1434): 2
- Rozsahy: Qn = 0,6 až 60 m3/h; pro měření přečerpávaného kondenzátu
13 - Snímač teploty pro kondenzát vč. návarku
14 - Měřicí ústředna INMAT 57 D pro společné nebo samostatné vyhodnocení páry a kondenzátu - přesnost 0,1% z měřené hodnoty; 0,02% z rozsahu
Přílohy ke stažení
Klikněte na název přílohy pro stažení
