351 Snímač teploty termoelektrický s kovovou nebo keramickou ochrannou trubkou bez převodníku, s převodníkem nebo Ex ia provedení
- pro dálkové měření teploty plynů, pro které je materiál ochranné trubky svými vlastnostmi vhodný (např. v pecích)
- pro prostředí s nebezpečím výbuchu v prostorách Zóna 2, Zóna 1 i Zóna 0 dle ČSN EN IEC 60079-10-1 ed. 3 při použití převodníku Ex ia nebo při zapojení do Ex ia obvodu dle ČSN EN IEC 60079-25 ed. 3
- jako vybrané zařízení nebo jeho část ve smyslu vyhlášky č. 329/2017 Sb. v platném znění o požadavcích na projekt jaderného zařízení a vyhlášky 358/2016 Sb. § 12 odst. 3 písm. b) bezpečnostní třídy 2 nebo 3 v platném znění o požadavcích na zajišťování kvality a technické bezpečnosti a posouzení a prověřování shody vybraných zařízení
- jako vybrané zařízení bezpečnostní třídy 2, 3 a 4 ve smyslu vyhlášek ÚJD SR č. 430/2011 Z.z. v platném znění o požadavcích na jadernou bezpečnost, č. 431/2011 Z.z. v platném znění o systému managementu kvality
- v kompletu s řídícími nebo diagno-stickými systémy pro monitorování procesu
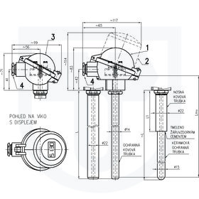
- v provedení s převodníkem k převodu signálu termoelektrického čidla na unifikovaný výstupní signál 4 až 20 mA nebo signál digitální (převodník s HART protokolem)
- v provedení s displejem k okamži-tému zobrazení hodnoty měřené veličiny
- do prostředí, kde je vyžadována mechanická odolnost dle ČSN EN 60068-2-6 (třída AH2 dle ČSN 33 2000-5-51 ed. 3) a seizmická způsobilost elektrického zařízení bezpečnostního systému jaderných elektráren dle ČSN IEC 980 (MVZ úroveň SL-2)
- Snímače s převodníkem a v provedení Ex ia jsou stanovenými výrobky ve smyslu zákona č. 22/1997 Sb. v platném znění a je na ně dle zákona 90/2016 Sb. vystaveno EU prohlášení o shodě EU-251000.
Pro přidání produktu do košíku je nutné postupně projít jednotlivé kroky konfigurace. Pro kompletaci produktu nelze žádné kroky vynechat.
Přílohy ke stažení
Klikněte na název přílohy pro stažení
- 1) Návod k výrobku 351 (PDF 0.9 MB)
- 2) EU prohlášení o shodě 351 (PDF 1.3 MB)
- 3) Návod k výrobku - LED displej (PDF 0.2 MB)
- 4) Certifikát EU přezkoušení typu (EX ia) (PDF 1 MB)
- 5) Certifikát EU přezkoušení typu (EX ia) - Dodatek č. 1 (PDF 0.7 MB)
