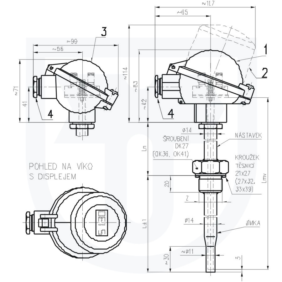
232 Snímač teploty odporový s jímkou DIN bez převodníku, s převodníkem nebo Ex ia provedení
- pro přesné dálkové měření teploty klidných i proudících tekutin (plynů i kapalin), pro které je jímka snímače svými vlastnostmi vhodná, možné do teploty určené odolností jímky (max. 600 ºC) a jmenovitého tlaku PN 160
- pro prostředí s nebezpečím výbuchu v prostorách Zóna 2, Zóna 1 i Zóna 0 dle ČSN EN IEC 60079-10-1 ed. 3 při použití převodníku Ex ia nebo při zapojení do Ex ia obvodu dle ČSN EN IEC 60079-25 ed. 3
- v kompletu s řídícími nebo diagnostickými systémy pro monitorování procesu
- v provedení s převodníkem k převodu signálu odporového čidla na unifikovaný výstupní signál 4 až 20 mA nebo signál digitální (převodník s HART protokolem)
- v provedení s displejem k okamžitému zobrazení hodnoty měřené veličiny
- jako vybrané zařízení nebo jeho část ve smyslu vyhlášky č. 329/2017 Sb. v platném znění o požadavcích na projekt jaderného zařízení a vyhlášky 358/2016 Sb. § 12 odst. 3 písm. b) bezpečnostní třídy 2 nebo 3 v platném znění o požadavcích na zajišťování kvality a technické bezpečnosti a posouzení a prověřování shody vybraných zařízení
- jako vybrané zařízení bezpečnostní třídy 2, 3 a 4 ve smyslu vyhlášek ÚJD SR č. 430/2011 Z.z. v platném znění o požadavcích na jadernou bezpečnost a č. 431/2011 Z.z. v platném znění o systému managementu kvality
- do prostředí, kde je vyžadována mechanická odolnost dle ČSN EN 60068-2-6 ed. 2 (třída AH2 dle ČSN 33 2000-5-51 ed. 3) a seizmická způsobilost elektrického zařízení bezpečnostního systému jaderných elektráren dle ČSN IEC 980 (MVZ úroveň SL-2).
- speciální provedení do kryogenního prostředí s teplotou média do -269°C
- Snímače s převodníkem a v provedení Ex ia jsou stanovenými výrobky ve smyslu zákona č. 22/1997 Sb. v platném znění a je na ně dle zákona 90/2016 Sb. vystaveno EU prohlášení o shodě EU-232000.
Pro přidání produktu do košíku je nutné postupně projít jednotlivé kroky konfigurace. Pro kompletaci produktu nelze žádné kroky vynechat.
Přílohy ke stažení
Klikněte na název přílohy pro stažení
- 01) Návod k výrobku 232 (PDF 1 MB)
- 02) EU prohlášení o shodě 232 (PDF 1.4 MB)
- 03) Schválení typu měřidla - revize 3 (PDF 0.5 MB)
- 04) Návod k výrobku - LED displej (PDF 0.2 MB)
- 05) Certifikát ES přezkoušení typu (PDF 0.2 MB)
- 06) Certifikát ES přezkoušení typu - Dodatek č. 1 (PDF 1.1 MB)
- 07) EU prohlášení o shodě - MID 232 (PDF 0.3 MB)
- 08) Schválení typu měřidla - prodloužení platnosti (PDF 0.9 MB)
- 09) Certifikát EU přezkoušení typu (EX ia) (PDF 1 MB)
- 10) Certifikát EU přezkoušení typu - Dodatek č. 2 (PDF 2.8 MB)
- 11) Certifikát EU přezkoušení typu (EX ia) - Dodatek č. 1 (PDF 0.7 MB)
