- pro dálkové měření teploty klidných i proudících tekutin (plynů i kapalin), pro které jímka snímače svými vlastnostmi vhodná, měření je možné do teploty a tlaku určeného odolností jímky
- v provedení s převodníkem v hlavici k převodu signálu odporového čidla na unifikovaný výstupní signál
4 až 20 mA nebo signál digitální (převodník s HART protokolem) - pro prostředí s nebezpečím výbuchu v prostorách Zóna 2, Zóna 1 i Zóna 0 dle ČSN EN 60079-10-1 ed. 2 při použití převodníku Ex ia nebo při zapojení do Ex ia obvodu dle ČSN EN 60079-25 ed. 2
- v provedení neověřeném nepárovavém pro všeobecné měření teploty
- Snímače s převodníkem jsou stanovenými výrobky ve smyslu zákona č. 22/1997 Sb. a je na ně dle zákona 90/2016 Sb. vystaveno EU prohlášení o shodě EU-202000.
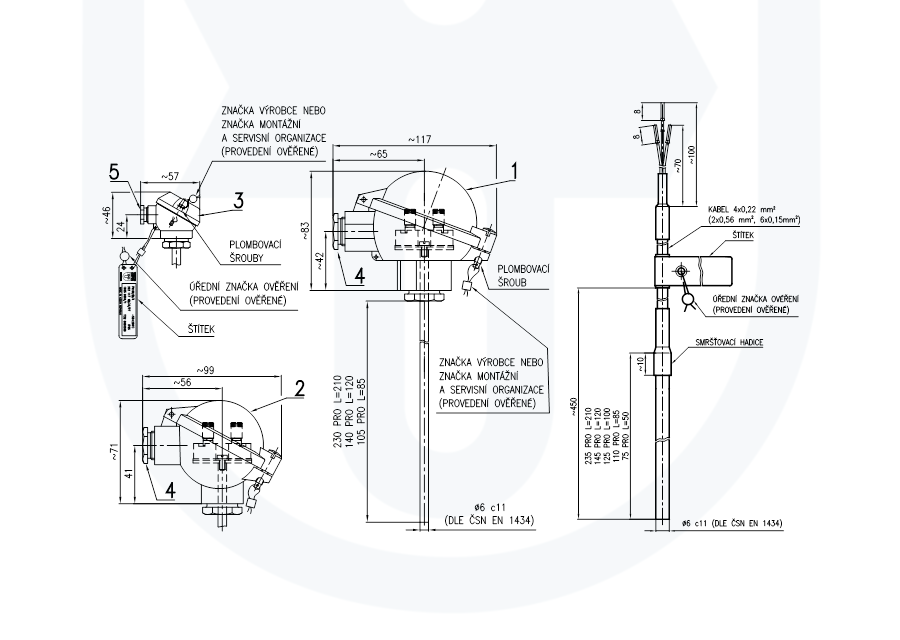
Použití v provedení ověřeném jako stanovené měřidlo podle zák. č. 505/1990 Sb. o metrologii:
- v provedení párovaném i nepárovaném jako stanovené měřidlo TCM 321/11 - 4690 s použitím jako součást stanovených měřidel podle vyhlášky MPO č. 345/2002 Sb., pro členy měřidel a měřících sestav protečeného množství tekutin (plynů, páry, kondenzátu …), pro členy měřičů tepla a chladu a členy přepočítávačů množství plynu, vyjma měření spadajících do působení směrnice jednotného přístupu MID implementované v ČR nařízením vlády č. 120/2016 Sb, např. v kombinaci s vyhodnocovacími jednotkami INMAT 51, INMAT 66, INMAT 57 apod.
Použití při uvedení na trh podle NV č. 120/2016 Sb.(MID) jako samostatné podsestavy měřidla tepla:
- v provedení párovaném k měření tepla ve smyslu NV č. 120/2016 Sb., příloha MI-004 a ve shodě s normou ČSN EN 1434, pro členy měřidel a měřících sestav průtoku a tepla předané vodou
- Snímače jsou stanovenými výrobky ve smyslu zákona č. 22/1997 Sb. a je na ně dle zákona 90/2016 Sb. vystaveno EU prohlášení o shodě EU-MID-202-CZ.
Pro přidání produktu do košíku je nutné postupně projít jednotlivé kroky konfigurace. Pro kompletaci produktu nelze žádné kroky vynechat.
Přílohy ke stažení
Klikněte na název přílohy pro stažení
- 1) Návod k výrobku 202 (PDF 0.4 MB)
- 2) EU prohlášení o shodě 202 (PDF 1.1 MB)
- 3) Certifikát o schválení typu měřidla (PDF 0.5 MB)
- 4) Prohlášení o shodě 202 s převodníkem TH100X (PDF 0.4 MB)
- 5) Certifikát EU MID (PDF 0.4 MB)
- 6) EU prohlášení o shodě MID - 202 (PDF 0.3 MB)

